Главная > Подшипники> Роликовые > Радиально-упорные>HI-CAP TR100802J-1LFT

HI-CAP TR100802J-1LFT — Подшипник роликовый радиально-упорный, импортное производство по ISO стандарту, размер 50x78x15 номер основного исполнения .
Производитель: KOYO.
P = Литой сепаратор из стеклонаполненного полиамида 6,6, центрируемый по телам качения.
Цена по запросу
Цена на подшипник зависит от:
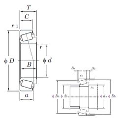
Габаритные размеры
Размеры и геометрические характеристики
Защита
Конструкция и исполнение