Главная > Подшипники> Роликовые > Радиально-упорные>HI-CAP TR0708-1

HI-CAP TR0708-1 — Подшипник роликовый радиально-упорный, импортное производство по ISO стандарту, размер 35x80x32 номер основного исполнения .
Производитель: KOYO.
P = Литой сепаратор из стеклонаполненного полиамида 6,6, центрируемый по телам качения.
Цена по запросу
Цена на подшипник зависит от:
Габаритные размеры
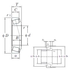
Размеры и геометрические характеристики
Защита
Конструкция и исполнение
Однорядный конический роликовый подшипник 32307 (CRAFT, CYSD, FAG, FBJ, ISB)
Подшипник шариковый упорный однонаправленный 51407 (CX, FAG, FBJ, ISB, ISO)
Подшипник роликовый радиально-упорный конический однорядный 6-27607
Подшипник роликовый радиально-упорный 6-27607 А
Подшипник роликовый радиально-упорный 6-7607 АК (ГПЗ-15)
Подшипник роликовый радиально-упорный конический 6-7607 АУШ