Главная > Подшипники> Роликовые > Радиально-упорные>HI-CAP TR0608A

HI-CAP TR0608A — Подшипник роликовый радиально-упорный, импортное производство по ISO стандарту, размер 32x75x29 номер основного исполнения .
Производитель: KOYO.
P = Литой сепаратор из стеклонаполненного полиамида 6,6, центрируемый по телам качения.
Цена по запросу
Цена на подшипник зависит от:
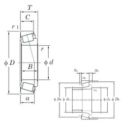
Габаритные размеры
Размеры и геометрические характеристики
Защита
Конструкция и исполнение
Подшипник роликовый радиально-упорный 323/32R (KOYO)
Конический роликоподшипник 323/32C (NSK, NTN)
Конический роликоподшипник 4T-323/32C (NTN)
Подшипник роликовый радиально-упорный TR0608A (KOYO)