Главная > Подшипники> Роликовые > Радиально-упорные>HI-CAP TR0506YR

HI-CAP TR0506YR — Подшипник роликовый радиально-упорный, импортное производство по ISO стандарту, размер 25x62x18 номер основного исполнения .
Производитель: KOYO.
P = Литой сепаратор из стеклонаполненного полиамида 6,6, центрируемый по телам качения.
Цена по запросу
Цена на подшипник зависит от:
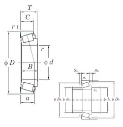
Габаритные размеры
Размеры и геометрические характеристики
Защита
Конструкция и исполнение
Однорядный конический роликовый подшипник 30305 (CRAFT, CYSD, FBJ, ISB, ISO)
Однорядный конический роликовый подшипник 31305 (CYSD, FAG, FBJ, ISB, ISO)
Подшипник роликовый радиально-упорный 27705