Главная > Подшипники> Роликовые > Радиально-упорные>HI-CAP TR0305C-9

HI-CAP TR0305C-9 — Подшипник роликовый радиально-упорный, импортное производство по ISO стандарту, размер 17x47x15 номер основного исполнения .
Производитель: KOYO.
P = Литой сепаратор из стеклонаполненного полиамида 6,6, центрируемый по телам качения.
Цена по запросу
Цена на подшипник зависит от:
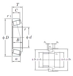
Габаритные размеры
Размеры и геометрические характеристики
Защита
Конструкция и исполнение
Однорядный конический роликовый подшипник 30303 (CRAFT, CYSD, FAG, FBJ, ISB)
Подшипник шариковый радиальный 20803
Подшипник шариковый радиальный 20803 КУ
Подшипник шариковый радиальный 20803 АК
Подшипник шариковый радиальный 20803 АКУ
Подшипник шариковый радиальный 20803 АК2У