Главная > Подшипники> Роликовые > Радиально-упорные>HI-CAP ST4280

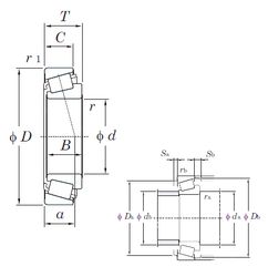
HI-CAP ST4280 — Подшипник роликовый радиально-упорный, импортное производство по ISO стандарту, размер 42x80x22 номер основного исполнения .
Производитель: KOYO.
P = Литой сепаратор из стеклонаполненного полиамида 6,6, центрируемый по телам качения.
Цена по запросу
Цена на подшипник зависит от:
Габаритные размеры
Размеры и геометрические характеристики
Защита
Конструкция и исполнение
Подшипник роликовый радиально-упорный 30208JA1HLbh (KBC)
Однорядный конический роликовый подшипник 342S/332B (TIMKEN)
Однорядный конический роликовый подшипник 4T-342S/332 (NTN)