Главная > Подшипники> Роликовые > Радиально-упорные>HI-CAP ST3562LFT

HI-CAP ST3562LFT — Подшипник роликовый радиально-упорный, импортное производство по ISO стандарту, размер 35x62x18 номер основного исполнения .
Производитель: KOYO.
P = Литой сепаратор из стеклонаполненного полиамида 6,6, центрируемый по телам качения.
Цена по запросу
Цена на подшипник зависит от:
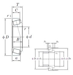
Габаритные размеры
Размеры и геометрические характеристики
Защита
Конструкция и исполнение
Подшипник шариковый упорный однонаправленный 51207 (AST, CRAFT, CX, FAG, FBJ)
Роликовый цилиндрический упорный подшипник 81207 (CX, INA, ISO, NIS, NTN)
Однорядный конический роликовый подшипник 32007 (CRAFT, CYSD, FBJ, ISB, ISO)
Однорядный конический роликовый подшипник 32007 XJ (KBC, SKF)
Подшипник роликовый радиально-упорный конический однорядный повышенной грузоподъемности 2007107 А