Главная > Подшипники> Роликовые > Радиально-упорные>HI-CAP ST3259

HI-CAP ST3259 — Однорядный конический роликовый подшипник, импортное производство по ISO стандарту, размер 32x59x18 номер основного исполнения .
Производитель: KOYO.
P = Литой сепаратор из стеклонаполненного полиамида 6,6, центрируемый по телам качения.
Цена по запросу
Цена на подшипник зависит от:
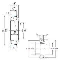
Габаритные размеры
Размеры и геометрические характеристики
Защита
Конструкция и исполнение