Главная > Подшипники> Роликовые > Радиально-упорные>HI-CAP 57620/3320

HI-CAP 57620/3320 — Подшипник роликовый радиально-упорный, импортное производство по ISO стандарту, размер 39x80x29 номер основного исполнения .
Производитель: KOYO.
P5 = Подшипники 5-го класса точности DIN
Цена по запросу
Цена на подшипник зависит от:
Габаритные размеры
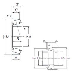
Размеры и геометрические характеристики
Защита
Конструкция и исполнение
Однорядный конический роликовый подшипник 26880/26821 (TIMKEN)
Однорядный конический роликовый подшипник 3382/3331 (CX, FBJ, ISO, TIMKEN)
Однорядный конический роликовый подшипник 3382/3320 (CX, FBJ, Fersa, ISO, TIMKEN)
Однорядный конический роликовый подшипник 3382/3339 (CX, FBJ, ISO, TIMKEN)
Однорядный конический роликовый подшипник 3386/3331 (TIMKEN)
Однорядный конический роликовый подшипник 3386/3320 (CX, FBJ, Fersa, ISO, KOYO)