Главная > Подшипники> Роликовые > Радиально-упорные>HI-CAP 57519/LM300811

HI-CAP 57519/LM300811 — Подшипник роликовый радиально-упорный, импортное производство по ISO стандарту, размер 41x67x17 номер основного исполнения .
Производитель: KOYO.
P5 = Подшипники 5-го класса точности DIN
Цена по запросу
Цена на подшипник зависит от:
Габаритные размеры
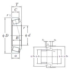
Размеры и геометрические характеристики
Защита
Конструкция и исполнение
Конический роликоподшипник K-LM300849/K-LM300811 (ZVL)
Однорядный конический роликовый подшипник LM300848/LM300811 (TIMKEN)