Главная > Подшипники> Роликовые > Радиально-упорные>HI-CAP 57484

HI-CAP 57484 — Подшипник роликовый радиально-упорный, импортное производство по ISO стандарту, размер 27x59x16 номер основного исполнения .
Производитель: KOYO.
P5 = Подшипники 5-го класса точности DIN
Цена по запросу
Цена на подшипник зависит от:
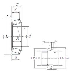
Габаритные размеры
Размеры и геометрические характеристики
Защита
Конструкция и исполнение