Главная > Подшипники> Роликовые > Радиально-упорные>HI-CAP 57355

HI-CAP 57355 — Подшипник роликовый радиально-упорный, импортное производство по ISO стандарту, размер 20x52x19 номер основного исполнения .
Производитель: KOYO.
P5 = Подшипники 5-го класса точности DIN
Цена по запросу
Цена на подшипник зависит от:
Габаритные размеры
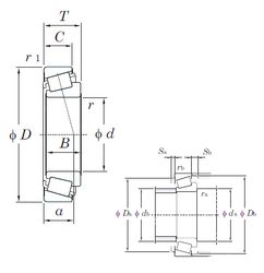
Размеры и геометрические характеристики
Защита
Конструкция и исполнение
Подшипник однорядный шариковый радиальный 8604 (CYSD, SIGMA)
Подшипник шариковый радиальный 87604 (CYSD, SIGMA)
Однорядный конический роликовый подшипник F15199 (Fersa)