Главная > Подшипники> Роликовые > Радиально-упорные>HI-CAP 57276

HI-CAP 57276 — Подшипник роликовый радиально-упорный, импортное производство по ISO стандарту, размер 45x85x24 номер основного исполнения .
Производитель: KOYO.
P5 = Подшипники 5-го класса точности DIN
Цена по запросу
Цена на подшипник зависит от:
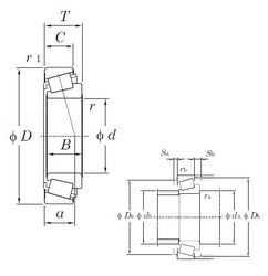
Габаритные размеры
Размеры и геометрические характеристики
Защита
Конструкция и исполнение
Однорядный конический роликовый подшипник 32209 (CRAFT, CYSD, FBJ, ISB, ISO)
Роликовый цилиндрический упорный подшипник 89309 (CX, INA, ISO, NTN)
Подшипник роликовый радиально-упорный 127509
Подшипник роликовый радиально-упорный 127509 АК
Подшипник роликовый радиально-упорный 127509К
Подшипник роликовый радиально-упорный 127509 А (ГПЗ-1)