Главная > Подшипники> Роликовые > Радиально-упорные>HI-CAP 57207/LM29710S

HI-CAP 57207/LM29710S — Подшипник роликовый радиально-упорный, импортное производство по ISO стандарту, размер 38x65x18 номер основного исполнения .
Производитель: KOYO.
P5 = Подшипники 5-го класса точности DIN
Цена по запросу
Цена на подшипник зависит от:
Габаритные размеры
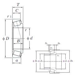
Размеры и геометрические характеристики
Защита
Конструкция и исполнение
Конический роликоподшипник 38KW01 (NSK)
Однорядный конический роликовый подшипник 38KW01Cg5 (KBC)
Конический роликоподшипник 38KW01CG (NSK)
Конический роликоподшипник 4T-LM29748L/LM29710 (NTN)
Конический роликоподшипник 4T-LM29748/LM29710 (NTN)
Однорядный конический роликовый подшипник 4T-LM29749/LM29710 (NTN)