Главная > Подшипники> Роликовые > Радиально-упорные>HI-CAP 57152

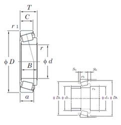
HI-CAP 57152 — Однорядный конический роликовый подшипник, импортное производство по ISO стандарту, размер 25x54x20 номер основного исполнения .
Производитель: KOYO.
P5 = Подшипники 5-го класса точности DIN
Цена по запросу
Цена на подшипник зависит от:
Габаритные размеры
Размеры и геометрические характеристики
Защита
Конструкция и исполнение