Главная > Подшипники> Роликовые > Радиально-упорные>HI-CAP 57098JR

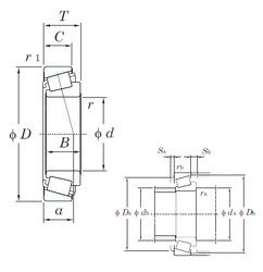
HI-CAP 57098JR — Подшипник роликовый радиально-упорный, импортное производство по ISO стандарту, размер 25x52x16 номер основного исполнения .
Производитель: KOYO.
P5 = Подшипники 5-го класса точности DIN
Цена по запросу
Цена на подшипник зависит от:
Габаритные размеры
Размеры и геометрические характеристики
Защита
Конструкция и исполнение
Однорядный конический роликовый подшипник 30205 (CRAFT, CYSD, FBJ, ISB, ISO)
Однорядный конический роликовый подшипник 30205 J2 (NSK)
Подшипник шариковый радиальный 160205 АК (ГПЗ-20)