Главная > Подшипники> Роликовые > Радиально-упорные>HI-CAP 57008

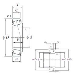
HI-CAP 57008 — Подшипник роликовый радиально-упорный, импортное производство по ISO стандарту, размер 20x47x15 номер основного исполнения .
Производитель: KOYO.
P5 = Подшипники 5-го класса точности DIN
Цена по запросу
Цена на подшипник зависит от:
Габаритные размеры
Размеры и геометрические характеристики
Защита
Конструкция и исполнение
Однорядный конический роликовый подшипник 30204 (CRAFT, CYSD, FAG, FBJ, ISB)
Однорядный конический роликовый подшипник 30204 J2 (FAG)