Главная > Подшипники> Роликовые > Радиально-упорные>HH421246/HH421210

HH421246/HH421210 — Однорядный конический роликовый подшипник, импортное производство по ISO стандарту, размер 98x762x63 номер основного исполнения .
Производитель: KOYO.
H = высокая, узкая каретка для двухрядного шарикоподшипника и направляющей в сборе.
Цена от:29 934 р.
Цена на подшипник зависит от:
Габаритные размеры
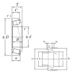
Размеры и геометрические характеристики
Нагрузка и ресурс
Защита
Коэффициенты для расчета
Присоединительные размеры
Конструкция и исполнение