Главная > Подшипники> Роликовые > Радиально-упорные>HH249949/HH249910

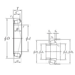
HH249949/HH249910 — Однорядный конический роликовый подшипник, импортное производство по ISO стандарту, размер 247x406x115 номер основного исполнения .
Производится брендами: KOYO, NTN, TIMKEN.
H = высокая, узкая каретка для двухрядного шарикоподшипника и направляющей в сборе.
Цена от:208 240 р.
Цена на подшипник зависит от:
Габаритные размеры
Размеры и геометрические характеристики
Нагрузка и ресурс
Защита
Коэффициенты для расчета
Присоединительные размеры
Конструкция и исполнение
Цилиндрический роликоподшипник HH249949-N2/HH249910 (NSK)
Подшипник роликовый радиально-упорный HH249949/10 (CX, ISO)