Главная > Подшипники> Роликовые > Радиально-упорные>HH224340/HH224310

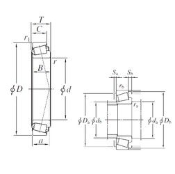
HH224340/HH224310 — Однорядный конический роликовый подшипник, импортное производство по ISO стандарту, размер 107x212x66 номер основного исполнения .
Производится брендами: KOYO, NACHI, NIS, NSK, TIMKEN.
H = высокая, узкая каретка для двухрядного шарикоподшипника и направляющей в сборе.
Цена по запросу
Цена на подшипник зависит от:
Габаритные размеры
Размеры и геометрические характеристики
Нагрузка и ресурс
Защита
Коэффициенты для расчета
Присоединительные размеры
Конструкция и исполнение
Прочие характеристики
Однорядный конический роликовый подшипник 936/932 (CX, FBJ, ISO, KOYO, NACHI)
Конический роликоподшипник 936/932-B (TIMKEN)
Конический роликоподшипник 4T-936/932 (NTN)
Подшипник роликовый радиально-упорный HH224340/10 (CX, ISO)
Конический роликоподшипник HH224340/HH224310-B (TIMKEN)