Главная > Подшипники> Роликовые > Радиально-упорные>HH221447/HH221410

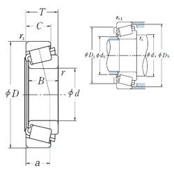
HH221447/HH221410 — Однорядный конический роликовый подшипник, импортное производство по ISO стандарту, размер 99x190x57 номер основного исполнения .
Производится брендами: KOYO, NIS, NSK, TIMKEN.
H = высокая, узкая каретка для двухрядного шарикоподшипника и направляющей в сборе.
Цена по запросу
Цена на подшипник зависит от:
Габаритные размеры
Размеры и геометрические характеристики
Нагрузка и ресурс
Защита
Коэффициенты для расчета
Присоединительные размеры
Конструкция и исполнение
Прочие характеристики
Конический роликоподшипник HH221447/HH221410-B (TIMKEN)
Подшипник роликовый радиально-упорный HH221447/10 (CX, ISO)