Главная > Подшипники> Роликовые > Радиально-упорные>HH221430/HH221410

HH221430/HH221410 — Однорядный конический роликовый подшипник, импортное производство по ISO стандарту, размер 76x190x57 номер основного исполнения .
Производится брендами: FBJ, KOYO, NACHI, TIMKEN.
H = высокая, узкая каретка для двухрядного шарикоподшипника и направляющей в сборе.
Цена по запросу
Цена на подшипник зависит от:
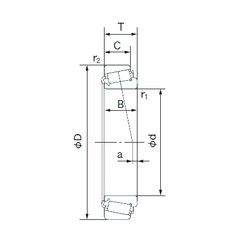
Габаритные размеры
Размеры и геометрические характеристики
Нагрузка и ресурс
Защита
Коэффициенты для расчета
Присоединительные размеры
Конструкция и исполнение
Конический роликоподшипник 4T-HH221430/HH221410 (NTN)
Подшипник роликовый радиально-упорный HH221430/10 (CX, ISO)