Главная > Подшипники> Шариковые> Радиально-упорные>HCS71922-E-T-P4S

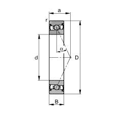
HCS71922-E-T-P4S — Подшипник шариковый однорядный радиально-упорный, импортное производство по ISO стандарту, размер 110x150x20 номер основного исполнения 71922.
Производитель: FAG.
E = (AC-SKF) = 25 градусов угол контакта. T = (сегмент TB-Cage) = текстильная слоистая Фенольный смола, направленная по наружному кольцу. сепаратор подходит для длительной эксплуатации при температуре до 100 градусов C. P = Литой сепаратор из стеклонаполненного полиамида 6,6, центрируемый по телам качения.
Цена по запросу
Цена на подшипник зависит от:
| Обозначение | Модификация |
|---|---|
| 71922 | Основное конструктивное исполнение. |
| B71922 | |
| 71922C | С = Необслуживаемые концы стержней, внутренняя резьба. |
| HS71922 | |
| 71922 A | A = внутренняя модификация конструкции. |
| 71922AC | AC = Угол контакта 25 градусов. |
| H71922C | С = Необслуживаемые концы стержней, внутренняя резьба. |
| 71922 CDF | Комплект подшипников расположенных лицом к лицу, дуплексная Х-образная пара. |
| 71922 CDB | С = Необслуживаемые концы стержней, внутренняя резьба. |
| 71922 CDT | С = Необслуживаемые концы стержней, внутренняя резьба. |
| 71922 C-UX | С = Необслуживаемые концы стержней, внутренняя резьба. |
| 71922 C-UO | С = Необслуживаемые концы стержней, внутренняя резьба. |
| 71922 C-UD | С = Необслуживаемые концы стержней, внутренняя резьба. |
| 71922HVUJ74 | J = Сепаратор стальной штампованный незакалённый. Сорт стали 7. |
| 71922 CTBP4 | ТВ = текстолитовый сепаратор, центрируемый по внутреннему кольцу. |
| 71922CVUJ74 | J = Сепаратор стальной штампованный незакалённый. Сорт стали 7. |
| 71922 ATBP4 | ТВ = текстолитовый сепаратор, центрируемый по внутреннему кольцу. |
| H71922C/HQ1 | С = Необслуживаемые концы стержней, внутренняя резьба. |
| 71922 CB/P4A | P4 = Точность размеров и вращения соответствуют классу точности 4 ISO. |
| 71922 CD/P4A | CD = 15 градусов угол контакта. P4 = Точность размеров и вращения соответствуют классу точности 4 ISO. |
| 71922 CE/P4A | P4 = Точность размеров и вращения соответствуют классу точности 4 ISO. |
| 71922CVDUJ74 | DU = (RS1-SKF) = Уплотнительное контактное уплотнение из акрилонитрил-бутадиеновой резины (NBR) из листовой стали на одной стороне подшипника. |
| 71922HVDUJ74 | DU = (RS1-SKF) = Уплотнительное контактное уплотнение из акрилонитрил-бутадиеновой резины (NBR) из листовой стали на одной стороне подшипника. |
| H71922AC/HQ1 | AC = Угол контакта 25 градусов. |
| 71922 CB/P4AL | P4 = Точность размеров и вращения соответствуют классу точности 4 ISO. |
| 71922 CE/P4AL | P4 = Точность размеров и вращения соответствуют классу точности 4 ISO. |
| 71922 ACB/P4A | AC = Угол контакта 25 градусов. |
| S71922 CB/P4A | P4 = Точность размеров и вращения соответствуют классу точности 4 ISO. |
| 71922 CD/P4AL | CD = 15 градусов угол контакта. P4 = Точность размеров и вращения соответствуют классу точности 4 ISO. |
| S71922 CE/P4A | P4 = Точность размеров и вращения соответствуют классу точности 4 ISO. |
| 71922 ACD/P4A | ACD = Угол контакта 25 градусов. P4 = Точность конструкции P4, точность хода P4. |
| S71922 CD/P4A | CD = 15 градусов угол контакта. P4 = Точность размеров и вращения соответствуют классу точности 4 ISO. |
| 71922 ACE/P4A | AC = Угол контакта 25 градусов. |
| 71922 CD/P4AH1 | CD = 15 градусов угол контакта. P4 = Точность размеров и вращения соответствуют классу точности 4 ISO. |
| ML71922CVUJ74S | J = Сепаратор стальной штампованный незакалённый. Сорт стали 7. |
| 71922 ACB/P4AL | AC = Угол контакта 25 градусов. |
| ML71922HVUJ74S | J = Сепаратор стальной штампованный незакалённый. Сорт стали 7. |
| 71922 CB/HCP4A | P4 = Точность размеров и вращения соответствуют классу точности 4 ISO. |
| 71922 CD/HCP4A | P4 = Точность размеров и вращения соответствуют классу точности 4 ISO. |
| S71922 ACE/P4A | AC = Угол контакта 25 градусов. |
| S71922 ACB/P4A | AC = Угол контакта 25 градусов. |
| S71922 ACD/P4A | ACD = Угол контакта 25 градусов. P4 = Точность конструкции P4, точность хода P4. |
| 71922 CE/HCP4A | P4 = Точность размеров и вращения соответствуют классу точности 4 ISO. |
| 71922 ACD/P4AL | ACD = Угол контакта 25 градусов. P4 = Точность конструкции P4, точность хода P4. |
| B71922-E-T-P4S | E = (AC-SKF) = 25 градусов угол контакта. T = (сегмент TB-Cage) = текстильная слоистая Фенольный смола, направленная по наружному кольцу. сепаратор подходит для длительной эксплуатации при температуре до 100 градусов C. P = Литой сепаратор из стеклонаполненного полиамида 6,6, центрируемый по телам качения. |
| 71922 CE/P4AH1 | P4 = Точность размеров и вращения соответствуют классу точности 4 ISO. |
| B71922-C-T-P4S | T = Нейлоновая клетка, армированная стекловолокном (радиальные роликовые подшипники). P = Литой сепаратор из стеклонаполненного полиамида 6,6, центрируемый по телам качения. |
| 71922 ACE/P4AL | AC = Угол контакта 25 градусов. |
| HC71922-E-T-P4S | E = (AC-SKF) = 25 градусов угол контакта. T = (сегмент TB-Cage) = текстильная слоистая Фенольный смола, направленная по наружному кольцу. сепаратор подходит для длительной эксплуатации при температуре до 100 градусов C. P = Литой сепаратор из стеклонаполненного полиамида 6,6, центрируемый по телам качения. |
| 71922 CB/HCP4AL | P4 = Точность размеров и вращения соответствуют классу точности 4 ISO. |
Габаритные размеры
Размеры и геометрические характеристики
Нагрузка и ресурс
Отклонение, точность вращения
Присоединительные размеры
Прочие характеристики
Подшипник однорядный шариковый радиальный 61922 (CX, ISB, ISO, NKE, SIGMA)
Подшипник однорядный шариковый радиальный 61922 C3 (NKE)
Подшипник однорядный шариковый радиальный 61922 2RSR.C3 (NKE)
Подшипник однорядный шариковый радиальный 61922 2Z (NKE, ZEN)
Подшипник шариковый радиальный однорядный 1000922 Л (ГПЗ-23)
Подшипник шариковый радиальный однорядный 1000922