Главная > Подшипники> Шариковые> Радиально-упорные>HCS71921-E-T-P4S

HCS71921-E-T-P4S — Подшипник шпиндельный, импортное производство по ISO стандарту, размер 105x145x20 номер основного исполнения .
Производитель: FAG.
E = (AC-SKF) = 25 градусов угол контакта. T = (сегмент TB-Cage) = текстильная слоистая Фенольный смола, направленная по наружному кольцу. сепаратор подходит для длительной эксплуатации при температуре до 100 градусов C. P = Литой сепаратор из стеклонаполненного полиамида 6,6, центрируемый по телам качения.
Цена по запросу
Цена на подшипник зависит от:
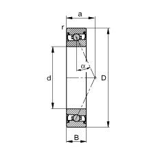
Габаритные размеры
Размеры и геометрические характеристики
Нагрузка и ресурс
Отклонение, точность вращения
Присоединительные размеры
Прочие характеристики
Подшипник однорядный шариковый радиальный 61921 (ISB, NKE, SIGMA, SKF, ZEN)
Подшипник шариковый однорядный радиально-упорный B71921 C.T.P4S.UL (FAG)
Подшипник шариковый однорядный радиально-упорный B71921 E.T.P4S.UL (FAG)
Подшипник однорядный шариковый радиальный 61921 C3 (NKE)