Главная > Подшипники> Шариковые> Радиально-упорные>HCS71909-E-T-P4S

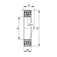
HCS71909-E-T-P4S — Подшипник шариковый однорядный радиально-упорный, импортное производство по ISO стандарту, размер 45x68x12 номер основного исполнения 71909.
Производитель: FAG.
E = (AC-SKF) = 25 градусов угол контакта. T = (сегмент TB-Cage) = текстильная слоистая Фенольный смола, направленная по наружному кольцу. сепаратор подходит для длительной эксплуатации при температуре до 100 градусов C. P = Литой сепаратор из стеклонаполненного полиамида 6,6, центрируемый по телам качения.
Цена по запросу
Цена на подшипник зависит от:
| Обозначение | Модификация |
|---|---|
| 71909 | Основное конструктивное исполнение. |
| B71909 | |
| 71909 C | С = Необслуживаемые концы стержней, внутренняя резьба. |
| HS71909 | |
| 71909 A | A = внутренняя модификация конструкции. |
| 71909 CDT | С = Необслуживаемые концы стержней, внутренняя резьба. |
| 71909 CDF | Комплект подшипников расположенных лицом к лицу, дуплексная Х-образная пара. |
| 71909 CDB | С = Необслуживаемые концы стержней, внутренняя резьба. |
| 71909 C-UO | С = Необслуживаемые концы стержней, внутренняя резьба. |
| 71909 C-UD | С = Необслуживаемые концы стержней, внутренняя резьба. |
| 71909 C-UX | С = Необслуживаемые концы стержней, внутренняя резьба. |
| 71909 ATBP4 | ТВ = текстолитовый сепаратор, центрируемый по внутреннему кольцу. |
| 71909HVUJ74 | J = Сепаратор стальной штампованный незакалённый. Сорт стали 7. |
| 71909CVUJ74 | J = Сепаратор стальной штампованный незакалённый. Сорт стали 7. |
| 71909 CTBP4 | ТВ = текстолитовый сепаратор, центрируемый по внутреннему кольцу. |
| 71909 CD/P4A | CD = 15 градусов угол контакта. P4 = Точность размеров и вращения соответствуют классу точности 4 ISO. |
| 71909 CE/P4A | P4 = Точность размеров и вращения соответствуют классу точности 4 ISO. |
| 71909CVDUJ74 | DU = (RS1-SKF) = Уплотнительное контактное уплотнение из акрилонитрил-бутадиеновой резины (NBR) из листовой стали на одной стороне подшипника. |
| 71909HVDUJ74 | DU = (RS1-SKF) = Уплотнительное контактное уплотнение из акрилонитрил-бутадиеновой резины (NBR) из листовой стали на одной стороне подшипника. |
| 71909 CB/P4A | P4 = Точность размеров и вращения соответствуют классу точности 4 ISO. |
| 71909 ACD/P4A | ACD = Угол контакта 25 градусов. P4 = Точность конструкции P4, точность хода P4. |
| 71909 ACB/P4A | AC = Угол контакта 25 градусов. |
| S71909 CD/P4A | CD = 15 градусов угол контакта. P4 = Точность размеров и вращения соответствуют классу точности 4 ISO. |
| 71909 CDGA.P4 | P4 = Точность размеров и вращения соответствуют классу точности 4 ISO. |
| S71909 CB/P4A | P4 = Точность размеров и вращения соответствуют классу точности 4 ISO. |
| S71909 CE/P4A | P4 = Точность размеров и вращения соответствуют классу точности 4 ISO. |
| 71909 CE/P4AL | P4 = Точность размеров и вращения соответствуют классу точности 4 ISO. |
| 71909 ACE/P4A | AC = Угол контакта 25 градусов. |
| 71909 CB/HCP4A | P4 = Точность размеров и вращения соответствуют классу точности 4 ISO. |
| 71909 CE/HCP4A | P4 = Точность размеров и вращения соответствуют классу точности 4 ISO. |
| ML71909CVUJ74S | J = Сепаратор стальной штампованный незакалённый. Сорт стали 7. |
| ML71909HVUJ74S | J = Сепаратор стальной штампованный незакалённый. Сорт стали 7. |
| 71909 ACB/P4AL | AC = Угол контакта 25 градусов. |
| 71909 CD/HCP4A | P4 = Точность размеров и вращения соответствуют классу точности 4 ISO. |
| 71909 CE/P4AH1 | P4 = Точность размеров и вращения соответствуют классу точности 4 ISO. |
| S71909 ACD/P4A | ACD = Угол контакта 25 градусов. P4 = Точность конструкции P4, точность хода P4. |
| S71909 ACB/P4A | AC = Угол контакта 25 градусов. |
| 71909 ACE/P4AL | AC = Угол контакта 25 градусов. |
| S71909 ACE/P4A | AC = Угол контакта 25 градусов. |
| B71909-C-T-P4S | T = Нейлоновая клетка, армированная стекловолокном (радиальные роликовые подшипники). P = Литой сепаратор из стеклонаполненного полиамида 6,6, центрируемый по телам качения. |
| B71909-E-T-P4S | E = (AC-SKF) = 25 градусов угол контакта. T = (сегмент TB-Cage) = текстильная слоистая Фенольный смола, направленная по наружному кольцу. сепаратор подходит для длительной эксплуатации при температуре до 100 градусов C. P = Литой сепаратор из стеклонаполненного полиамида 6,6, центрируемый по телам качения. |
| 71909 ACD/HCP4A | ACD = Угол контакта 25 градусов. |
| HS71909-E-T-P4S | Высокоскоростной шпиндельный подшипник. E = (AC-SKF) = 25 градусов угол контакта. T = (сегмент TB-Cage) = текстильная слоистая Фенольный смола, направленная по наружному кольцу. сепаратор подходит для длительной эксплуатации при температуре до 100 градусов C. P = Литой сепаратор из стеклонаполненного полиамида 6,6, центрируемый по телам качения. |
| HS71909-C-T-P4S | Высокоскоростной шпиндельный подшипник. T = Нейлоновая клетка, армированная стекловолокном (радиальные роликовые подшипники). P = Литой сепаратор из стеклонаполненного полиамида 6,6, центрируемый по телам качения. |
| 71909 ACB/HCP4A | AC = Угол контакта 25 градусов. |
| ML71909HVDUJ74S | H = 25 градусов угол контакта. V = ламинированная Фенольный сепаратор с центром на наружном кольце. DU = угловой контакт подшипники в сборе с двумя подшипниками, может быть подобран DB, DF или ЮТ. J74 = точность размеров и хода по классу допуска Iso 4 (более точный, чем P5) -Abec7, 7 = легкая предварительная нагрузка. |
| ML71909CVDUJ74S | DU = (RS1-SKF) = Уплотнительное контактное уплотнение из акрилонитрил-бутадиеновой резины (NBR) из листовой стали на одной стороне подшипника. |
| 71909 ACE/HCP4A | AC = Угол контакта 25 градусов. |
| MLE71909CVUJ74S | J = Сепаратор стальной штампованный незакалённый. Сорт стали 7. |
| MLE71909HVUJ74S | J = Сепаратор стальной штампованный незакалённый. Сорт стали 7. |
Габаритные размеры
Размеры и геометрические характеристики
Нагрузка и ресурс
Отклонение, точность вращения
Присоединительные размеры
Прочие характеристики
Подшипник однорядный шариковый радиальный 61909 (CRAFT, CX, FAG, Fersa, INA)
Подшипник однорядный шариковый радиальный 61909 2Z.C3 (INA)
Подшипник однорядный шариковый радиальный 61909 2RSR (FAG, INA, NKE)
Подшипник однорядный шариковый радиальный 61909 2Z (FAG, INA, NKE, ZEN)
Подшипник шариковый радиальный однорядный 1000909
Подшипник шариковый радиальный однорядный 25-1000909 БТ2 (ГПЗ-4)