Главная > Подшипники> Шариковые> Радиально-упорные>HCS71903-E-T-P4S

HCS71903-E-T-P4S — Подшипник шариковый однорядный радиально-упорный, импортное производство по ISO стандарту, размер 17x30x7 номер основного исполнения .
Производитель: FAG.
E = (AC-SKF) = 25 градусов угол контакта. T = (сегмент TB-Cage) = текстильная слоистая Фенольный смола, направленная по наружному кольцу. сепаратор подходит для длительной эксплуатации при температуре до 100 градусов C. P = Литой сепаратор из стеклонаполненного полиамида 6,6, центрируемый по телам качения.
Цена по запросу
Цена на подшипник зависит от:
Габаритные размеры
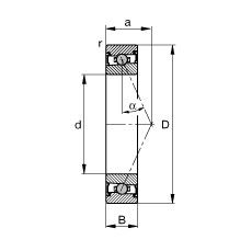
Размеры и геометрические характеристики
Нагрузка и ресурс
Отклонение, точность вращения
Присоединительные размеры
Прочие характеристики
Подшипник однорядный шариковый радиальный 61903 (CRAFT, CX, FAG, IBC, ISB)
Подшипник шариковый однорядный радиально-упорный HS71903 C.T.P4S.UL (FAG)
Подшипник шариковый однорядный радиально-упорный HS71903 E.T.P4S.UL (FAG)
Подшипник однорядный шариковый радиальный 61903 C3 (IBC)
Подшипник однорядный шариковый радиальный 61903 2RSR (FAG, IBC, NKE)