Главная > Подшипники> Шариковые> Радиально-упорные>HCS7028-E-T-P4S

HCS7028-E-T-P4S — Подшипник шпиндельный, импортное производство по ISO стандарту, размер 140x210x33 номер основного исполнения 7028.
Производитель: FAG.
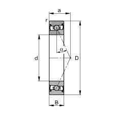
E = (AC-SKF) = 25 градусов угол контакта. T = (сегмент TB-Cage) = текстильная слоистая Фенольный смола, направленная по наружному кольцу. сепаратор подходит для длительной эксплуатации при температуре до 100 градусов C. P = Литой сепаратор из стеклонаполненного полиамида 6,6, центрируемый по телам качения.
Цена по запросу
Цена на подшипник зависит от:
| Обозначение | Модификация |
|---|---|
| 7028 | Основное конструктивное исполнение. |
| 7028C | С = Необслуживаемые концы стержней, внутренняя резьба. |
| 7028AC | AC = Угол контакта 25 градусов. |
| 7028DB | D = профиль наружного кольца, усовершенствованный, с увеличенной зоной несущей нагрузки и оптимизированными краевыми переходами. |
| 7028DT | T = Механически обработанный сепаратор из текстолита, центрируемый по телам качения. |
| 7028 A | A = внутренняя модификация конструкции. |
| 7028BG | B = 40 градусов угол контакта. G = Однорядный радиально-упорный шарикоподшипник для универсального парного монтажа. Два подшипника, установленные по 0-образной или Х-образной схеме, будут иметь определенный осевой зазор в домонтажном состоянии. |
| H7028C | С = Необслуживаемые концы стержней, внутренняя резьба. |
| 7028CG | С = Необслуживаемые концы стержней, внутренняя резьба. |
| 7028 B | B = однокомпонентное ребристое внутреннее кольцо. |
| 7028DF | Комплект подшипников расположенных лицом к лицу, дуплексная Х-образная пара. |
| 7028CDF | Комплект подшипников расположенных лицом к лицу, дуплексная Х-образная пара. |
| H7028AC | AC = Угол контакта 25 градусов. |
| 7028CP5 | P5 = Подшипники 5-го класса точности DIN |
| 7028CDT | С = Необслуживаемые концы стержней, внутренняя резьба. |
| 7028CPA | С = Необслуживаемые концы стержней, внутренняя резьба. |
| 7028CP4 | P4 = Точность размеров и вращения соответствуют классу точности 4 ISO. |
| 7028 BGM | B = 40 градусов угол контакта. G = Однорядный радиально-упорный шарикоподшипник для универсального парного монтажа. Два подшипника, установленные по 0-образной или Х-образной схеме, будут иметь определенный осевой зазор в домонтажном состоянии. |
| 7028 BDB | B = 40 градусов угол контакта. DB = два однорядных радиальных шарикоподшипника, однорядные радиально-упорные шарикоподшипники или однорядные конические роликовые подшипники, подходящие для монтажа в расположении друг за другом. |
| 7028 ADT | T = Механически обработанный сепаратор из текстолита, центрируемый по телам качения. |
| 7028 CDB | С = Необслуживаемые концы стержней, внутренняя резьба. |
| 7028T1DT | T = Механически обработанный сепаратор из текстолита, центрируемый по телам качения. |
| 7028 BDF | B = 40 градусов угол контакта. DF = Два однорядных радиальных шарикоподшипника, однорядных радиально-упорных шарикоподшипника или однорядных конических роликоподшипника, согласованные для монтажа по Х-образной схеме. |
| 7028 ADF | Комплект подшипников расположенных лицом к лицу, дуплексная Х-образная пара. |
| 7028 ADB | A = Модифицированная внутренняя конструкция. DB = два однорядных радиальных шарикоподшипника, однорядные радиально-упорные шарикоподшипники или однорядные конические роликовые подшипники, подходящие для монтажа в расположении друг к другу. |
| 7028 BDT | BD = Модифицированная внутренняя конструкция, угол контакта α = 30 градусов, без отверстия для заполнения. |
| 7028 A-UX | A = внутренняя модификация конструкции. |
| 7028 B-UD | D = профиль наружного кольца, усовершенствованный, с увеличенной зоной несущей нагрузки и оптимизированными краевыми переходами. |
| 7028 C-UX | С = Необслуживаемые концы стержней, внутренняя резьба. |
| 7028 B-UO | B = однокомпонентное ребристое внутреннее кольцо. |
| 7028CTRSU | С = Необслуживаемые концы стержней, внутренняя резьба. |
| 7028 A-UO | A = внутренняя модификация конструкции. |
| 7028 C-UO | С = Необслуживаемые концы стержней, внутренняя резьба. |
| 7028 C-UD | С = Необслуживаемые концы стержней, внутренняя резьба. |
| 7028 A-UD | A = внутренняя модификация конструкции. |
| 7028 B-UX | X = Внешние размеры, соответствующие международным стандартам. |
| 7028A5TRSU | Угол контакта 25 градусов. |
| 7028CVUJ74 | J = Сепаратор стальной штампованный незакалённый. Сорт стали 7. |
| 7028T1DTP5 | P5 = Подшипники 5-го класса точности DIN |
| 7028 ATBP4 | ТВ = текстолитовый сепаратор, центрируемый по внутреннему кольцу. |
| 7028HVUJ74 | J = Сепаратор стальной штампованный незакалённый. Сорт стали 7. |
| 7028 MP.UA | A = внутренняя модификация конструкции. |
| H7028C/HQ1 | С = Необслуживаемые концы стержней, внутренняя резьба. |
| 7028 CTBP4 | ТВ = текстолитовый сепаратор, центрируемый по внутреннему кольцу. |
| 7028CG/GNP4 | GN = нормальная предварительная нагрузка. P = Литой сепаратор из стеклонаполненного полиамида 6,6, центрируемый по телам качения. |
| 7028 CD/P4A | CD = 15 градусов угол контакта. P4 = Точность размеров и вращения соответствуют классу точности 4 ISO. |
| H7028AC/HQ1 | AC = Угол контакта 25 градусов. |
| 7028DB/GHP4 | B = 40 градусов угол контакта. G = Однорядный радиально-упорный шарикоподшипник для универсального парного монтажа. Два подшипника, установленные по 0-образной или Х-образной схеме, будут иметь определенный осевой зазор в домонтажном состоянии. |
| 7028HVDUJ74 | DU = (RS1-SKF) = Уплотнительное контактное уплотнение из акрилонитрил-бутадиеновой резины (NBR) из листовой стали на одной стороне подшипника. |
| 7028CVDUJ74 | DU = (RS1-SKF) = Уплотнительное контактное уплотнение из акрилонитрил-бутадиеновой резины (NBR) из листовой стали на одной стороне подшипника. |
Габаритные размеры
Размеры и геометрические характеристики
Нагрузка и ресурс
Отклонение, точность вращения
Присоединительные размеры
Прочие характеристики
Однорядный цилиндрический роликовый подшипник NU1028 (CX, CYSD, ISB, ISO, KOYO)
Однорядный цилиндрический роликовый подшипник NU1028 M (AST, NKE)
Однорядный цилиндрический роликовый подшипник NU1028 M1 (FAG, NKE)
Однорядный цилиндрический роликовый подшипник NU1028 M1.C3 (NKE)
Однорядный цилиндрический роликовый подшипник NU1028 ML (NKE, SKF)
Подшипник однорядный шариковый радиальный 6028 (CRAFT, CX, CYSD, FAG, ISB)