Главная > Подшипники> Шариковые> Радиально-упорные>HCB7026-E-T-P4S

HCB7026-E-T-P4S — Подшипник шпиндельный, импортное производство по ISO стандарту, размер 130x200x33 номер основного исполнения 7026.
Производитель: FAG.
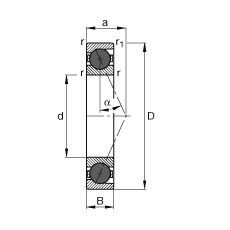
E = (AC-SKF) = 25 градусов угол контакта. T = (сегмент TB-Cage) = текстильная слоистая Фенольный смола, направленная по наружному кольцу. сепаратор подходит для длительной эксплуатации при температуре до 100 градусов C. P = Литой сепаратор из стеклонаполненного полиамида 6,6, центрируемый по телам качения.
Цена по запросу
Цена на подшипник зависит от:
| Обозначение | Модификация |
|---|---|
| 7026 | Основное конструктивное исполнение. |
| 7026 B | B = однокомпонентное ребристое внутреннее кольцо. |
| 7026 C | С = Необслуживаемые концы стержней, внутренняя резьба. |
| 7026DF | Комплект подшипников расположенных лицом к лицу, дуплексная Х-образная пара. |
| 7026DT | T = Механически обработанный сепаратор из текстолита, центрируемый по телам качения. |
| 7026 A | A = внутренняя модификация конструкции. |
| 7026DB | D = профиль наружного кольца, усовершенствованный, с увеличенной зоной несущей нагрузки и оптимизированными краевыми переходами. |
| H7026C | С = Необслуживаемые концы стержней, внутренняя резьба. |
| HS7026 | |
| 7026AC | AC = Угол контакта 25 градусов. |
| 7026BDB | B = 40 градусов угол контакта. DB = два однорядных радиальных шарикоподшипника, однорядные радиально-упорные шарикоподшипники или однорядные конические роликовые подшипники, подходящие для монтажа в расположении друг за другом. |
| 7026CPA | С = Необслуживаемые концы стержней, внутренняя резьба. |
| 7026CDB | С = Необслуживаемые концы стержней, внутренняя резьба. |
| H7026AC | AC = Угол контакта 25 градусов. |
| 7026CDF | Комплект подшипников расположенных лицом к лицу, дуплексная Х-образная пара. |
| 7026 BDT | BD = Модифицированная внутренняя конструкция, угол контакта α = 30 градусов, без отверстия для заполнения. |
| 7026 ADT | T = Механически обработанный сепаратор из текстолита, центрируемый по телам качения. |
| 7026 ADB | A = Модифицированная внутренняя конструкция. DB = два однорядных радиальных шарикоподшипника, однорядные радиально-упорные шарикоподшипники или однорядные конические роликовые подшипники, подходящие для монтажа в расположении друг к другу. |
| 7026 CDT | С = Необслуживаемые концы стержней, внутренняя резьба. |
| 7026 ADF | Комплект подшипников расположенных лицом к лицу, дуплексная Х-образная пара. |
| 7026 BDF | B = 40 градусов угол контакта. DF = Два однорядных радиальных шарикоподшипника, однорядных радиально-упорных шарикоподшипника или однорядных конических роликоподшипника, согласованные для монтажа по Х-образной схеме. |
| 7026 C-UX | С = Необслуживаемые концы стержней, внутренняя резьба. |
| 7026 C-UD | С = Необслуживаемые концы стержней, внутренняя резьба. |
| 7026 A-UO | A = внутренняя модификация конструкции. |
| 7026 C-UO | С = Необслуживаемые концы стержней, внутренняя резьба. |
| 7026 A-UX | A = внутренняя модификация конструкции. |
| 7026 B-UO | B = однокомпонентное ребристое внутреннее кольцо. |
| 7026 B-UX | X = Внешние размеры, соответствующие международным стандартам. |
| 7026CTRSU | С = Необслуживаемые концы стержней, внутренняя резьба. |
| 7026 B-UD | D = профиль наружного кольца, усовершенствованный, с увеличенной зоной несущей нагрузки и оптимизированными краевыми переходами. |
| 7026 A-UD | A = внутренняя модификация конструкции. |
| 7026 ATBP4 | ТВ = текстолитовый сепаратор, центрируемый по внутреннему кольцу. |
| 7026A5TRSU | Угол контакта 25 градусов. |
| 7026CVUJ74 | J = Сепаратор стальной штампованный незакалённый. Сорт стали 7. |
| 7026HVUJ74 | J = Сепаратор стальной штампованный незакалённый. Сорт стали 7. |
| 7026 CTBP4 | ТВ = текстолитовый сепаратор, центрируемый по внутреннему кольцу. |
| H7026C/HQ1 | С = Необслуживаемые концы стержней, внутренняя резьба. |
| 7026 CD/P4A | CD = 15 градусов угол контакта. P4 = Точность размеров и вращения соответствуют классу точности 4 ISO. |
| 7026HVDUJ74 | DU = (RS1-SKF) = Уплотнительное контактное уплотнение из акрилонитрил-бутадиеновой резины (NBR) из листовой стали на одной стороне подшипника. |
| 7026CVDUJ74 | DU = (RS1-SKF) = Уплотнительное контактное уплотнение из акрилонитрил-бутадиеновой резины (NBR) из листовой стали на одной стороне подшипника. |
| H7026AC/HQ1 | AC = Угол контакта 25 градусов. |
| S7026 CD/P4A | CD = 15 градусов угол контакта. P4 = Точность размеров и вращения соответствуют классу точности 4 ISO. |
| 7026UCG/GNP4 | GN = нормальная предварительная нагрузка. P = Литой сепаратор из стеклонаполненного полиамида 6,6, центрируемый по телам качения. |
| 7026 ACD/P4A | ACD = Угол контакта 25 градусов. P4 = Точность конструкции P4, точность хода P4. |
| 7026 CD/P4AL | CD = 15 градусов угол контакта. P4 = Точность размеров и вращения соответствуют классу точности 4 ISO. |
| 7026 CDGA.P4A | P4 = Точность размеров и вращения соответствуют классу точности 4 ISO. |
| 7026 CD/P4AH1 | CD = 15 градусов угол контакта. P4 = Точность размеров и вращения соответствуют классу точности 4 ISO. |
| ML7026CVUJ74S | J = Сепаратор стальной штампованный незакалённый. Сорт стали 7. |
| ML7026HVUJ74S | J = Сепаратор стальной штампованный незакалённый. Сорт стали 7. |
| S7026 ACD/P4A | ACD = Угол контакта 25 градусов. P4 = Точность конструкции P4, точность хода P4. |
Габаритные размеры
Размеры и геометрические характеристики
Нагрузка и ресурс
Отклонение, точность вращения
Присоединительные размеры
Прочие характеристики
Однорядный цилиндрический роликовый подшипник NU1026 (CX, CYSD, ISB, ISO, KOYO)
Подшипник шариковый радиальный однорядный 126
Однорядный цилиндрический роликовый подшипник NU1026 M.C3 (NKE)
Однорядный цилиндрический роликовый подшипник NU1026 M1 (FAG, NKE)
Подшипник однорядный шариковый радиальный 6026 (CRAFT, CX, CYSD, FAG, ISB)
Подшипник однорядный шариковый радиальный 6026 2Z.C3 (FAG)