Главная > Подшипники> Шариковые> Радиально-упорные>HCB7008-E-T-P4S

HCB7008-E-T-P4S — Подшипник шпиндельный, импортное производство по ISO стандарту, размер 40x68x15 номер основного исполнения 7008.
Производитель: FAG.
E = (AC-SKF) = 25 градусов угол контакта. T = (сегмент TB-Cage) = текстильная слоистая Фенольный смола, направленная по наружному кольцу. сепаратор подходит для длительной эксплуатации при температуре до 100 градусов C. P = Литой сепаратор из стеклонаполненного полиамида 6,6, центрируемый по телам качения.
Цена по запросу
Цена на подшипник зависит от:
| Обозначение | Модификация |
|---|---|
| 7008 | Основное конструктивное исполнение. |
| 7008B | B = однокомпонентное ребристое внутреннее кольцо. |
| B7008 | |
| 7008 A | A = внутренняя модификация конструкции. |
| 7008DT | T = Механически обработанный сепаратор из текстолита, центрируемый по телам качения. |
| 7008 C | С = Необслуживаемые концы стержней, внутренняя резьба. |
| 7008DB | D = профиль наружного кольца, усовершенствованный, с увеличенной зоной несущей нагрузки и оптимизированными краевыми переходами. |
| HS7008 | |
| 7008AC | AC = Угол контакта 25 градусов. |
| 7008DF | Комплект подшипников расположенных лицом к лицу, дуплексная Х-образная пара. |
| 7008CPA | С = Необслуживаемые концы стержней, внутренняя резьба. |
| 7008CDB | С = Необслуживаемые концы стержней, внутренняя резьба. |
| NC7008V | V = Увеличенная грузоподъемность, внутренняя модификация конструкции. |
| 7008CDF | Комплект подшипников расположенных лицом к лицу, дуплексная Х-образная пара. |
| 7008 BDT | BD = Модифицированная внутренняя конструкция, угол контакта α = 30 градусов, без отверстия для заполнения. |
| 7008 ADF | Комплект подшипников расположенных лицом к лицу, дуплексная Х-образная пара. |
| 7008 ADT | T = Механически обработанный сепаратор из текстолита, центрируемый по телам качения. |
| 7008 BDF | B = 40 градусов угол контакта. DF = Два однорядных радиальных шарикоподшипника, однорядных радиально-упорных шарикоподшипника или однорядных конических роликоподшипника, согласованные для монтажа по Х-образной схеме. |
| 7008 BDB | B = 40 градусов угол контакта. DB = два однорядных радиальных шарикоподшипника, однорядные радиально-упорные шарикоподшипники или однорядные конические роликовые подшипники, подходящие для монтажа в расположении друг за другом. |
| 7008 ADB | A = Модифицированная внутренняя конструкция. DB = два однорядных радиальных шарикоподшипника, однорядные радиально-упорные шарикоподшипники или однорядные конические роликовые подшипники, подходящие для монтажа в расположении друг к другу. |
| 7008 CDT | С = Необслуживаемые концы стержней, внутренняя резьба. |
| 7008 A-UO | A = внутренняя модификация конструкции. |
| 7008 A-UX | A = внутренняя модификация конструкции. |
| 7008 C-UD | С = Необслуживаемые концы стержней, внутренняя резьба. |
| 7008CTRSU | С = Необслуживаемые концы стержней, внутренняя резьба. |
| 7008 B-UD | D = профиль наружного кольца, усовершенствованный, с увеличенной зоной несущей нагрузки и оптимизированными краевыми переходами. |
| 7008 C-UO | С = Необслуживаемые концы стержней, внутренняя резьба. |
| 7008 B-UO | B = однокомпонентное ребристое внутреннее кольцо. |
| 7008 C-UX | С = Необслуживаемые концы стержней, внутренняя резьба. |
| 7008 B-UX | X = Внешние размеры, соответствующие международным стандартам. |
| 7008 A-UD | A = внутренняя модификация конструкции. |
| 7008CVUJ74 | J = Сепаратор стальной штампованный незакалённый. Сорт стали 7. |
| 7008HVUJ74 | J = Сепаратор стальной штампованный незакалённый. Сорт стали 7. |
| 7008-B-TVP | TVP = сегментный сепаратор, изготовленный из армированного стекловолокном полиамида PA66 направленная по роликам. |
| 7008 CTBP4 | ТВ = текстолитовый сепаратор, центрируемый по внутреннему кольцу. |
| 7008A5TRSU | Угол контакта 25 градусов. |
| 7008 ATBP4 | ТВ = текстолитовый сепаратор, центрируемый по внутреннему кольцу. |
| 7008 CE/P4A | P4 = Точность размеров и вращения соответствуют классу точности 4 ISO. |
| 7008 CB/P4A | P4 = Точность размеров и вращения соответствуют классу точности 4 ISO. |
| S7008 FW/HC | С = Необслуживаемые концы стержней, внутренняя резьба. |
| 7008CVDUJ74 | DU = (RS1-SKF) = Уплотнительное контактное уплотнение из акрилонитрил-бутадиеновой резины (NBR) из листовой стали на одной стороне подшипника. |
| 3NC 7008 FT | T = Механически обработанный сепаратор из текстолита, центрируемый по телам качения. |
| 7008UG/GMP4 | М = Механически обработанный латунный сепаратор, центрируемый по телам качения. P4 = Точность размеров и вращения соответствуют классу точности 4 ISO. |
| 7008HVDUJ74 | DU = (RS1-SKF) = Уплотнительное контактное уплотнение из акрилонитрил-бутадиеновой резины (NBR) из листовой стали на одной стороне подшипника. |
| 7008 CD/P4A | CD = 15 градусов угол контакта. P4 = Точность размеров и вращения соответствуют классу точности 4 ISO. |
| 7008UCG/GNP4 | GN = нормальная предварительная нагрузка. P = Литой сепаратор из стеклонаполненного полиамида 6,6, центрируемый по телам качения. |
| 7008 ACB/P4A | AC = Угол контакта 25 градусов. |
| 7008CDB/GLP4 | B = 40 градусов угол контакта. G = Однорядный радиально-упорный шарикоподшипник для универсального парного монтажа. Два подшипника, установленные по 0-образной или Х-образной схеме, будут иметь определенный осевой зазор в домонтажном состоянии. |
| 7008UDB/GMP5 | М = Механически обработанный латунный сепаратор, центрируемый по телам качения. P5 = Точность размеров и вращения соответствуют классу точности 5 ISO. |
| S7008 CD/P4A | CD = 15 градусов угол контакта. P4 = Точность размеров и вращения соответствуют классу точности 4 ISO. |
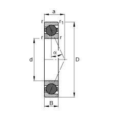
Габаритные размеры
Размеры и геометрические характеристики
Нагрузка и ресурс
Отклонение, точность вращения
Присоединительные размеры
Прочие характеристики
Однорядный цилиндрический роликовый подшипник NU1008 (CX, CYSD, FAG, FBJ, ISB)
Подшипник шариковый радиальный однорядный 108
Подшипник шариковый радиальный однорядный 8108
Подшипник шариковый радиально-упорный 746108 (ГПЗ-2)
Однорядный цилиндрический роликовый подшипник NU1008 M1 (FAG)
Однорядный цилиндрический роликовый подшипник NU1008 M1.C3 (FAG)