Главная > Подшипники> Шариковые> Радиально-упорные>HC71914-E-T-P4S

HC71914-E-T-P4S — Подшипник шариковый однорядный радиально-упорный, импортное производство по ISO стандарту, размер 70x100x16 номер основного исполнения 71914.
Производитель: FAG.
E = (AC-SKF) = 25 градусов угол контакта. T = (сегмент TB-Cage) = текстильная слоистая Фенольный смола, направленная по наружному кольцу. сепаратор подходит для длительной эксплуатации при температуре до 100 градусов C. P = Литой сепаратор из стеклонаполненного полиамида 6,6, центрируемый по телам качения.
Цена по запросу
Цена на подшипник зависит от:
| Обозначение | Модификация |
|---|---|
| 71914 | Основное конструктивное исполнение. |
| B71914 | |
| 71914 A | A = внутренняя модификация конструкции. |
| HS71914 | |
| 71914 C | С = Необслуживаемые концы стержней, внутренняя резьба. |
| 71914AC | AC = Угол контакта 25 градусов. |
| H71914AC | AC = Угол контакта 25 градусов. |
| 71914 CDT | С = Необслуживаемые концы стержней, внутренняя резьба. |
| 71914 CDB | С = Необслуживаемые концы стержней, внутренняя резьба. |
| 71914 CDF | Комплект подшипников расположенных лицом к лицу, дуплексная Х-образная пара. |
| 71914 C-UD | С = Необслуживаемые концы стержней, внутренняя резьба. |
| 71914 C-UX | С = Необслуживаемые концы стержней, внутренняя резьба. |
| 71914 C-UO | С = Необслуживаемые концы стержней, внутренняя резьба. |
| H71914C/HQ1 | С = Необслуживаемые концы стержней, внутренняя резьба. |
| 71914CVUJ74 | J = Сепаратор стальной штампованный незакалённый. Сорт стали 7. |
| 71914HVUJ74 | J = Сепаратор стальной штампованный незакалённый. Сорт стали 7. |
| 71914 CTBP4 | ТВ = текстолитовый сепаратор, центрируемый по внутреннему кольцу. |
| 71914 ATBP4 | ТВ = текстолитовый сепаратор, центрируемый по внутреннему кольцу. |
| H71914AC/HQ1 | AC = Угол контакта 25 градусов. |
| 71914 CD/P4A | CD = 15 градусов угол контакта. P4 = Точность размеров и вращения соответствуют классу точности 4 ISO. |
| 71914HVDUJ74 | DU = (RS1-SKF) = Уплотнительное контактное уплотнение из акрилонитрил-бутадиеновой резины (NBR) из листовой стали на одной стороне подшипника. |
| 71914 CB/P4A | P4 = Точность размеров и вращения соответствуют классу точности 4 ISO. |
| 71914CVDUJ74 | DU = (RS1-SKF) = Уплотнительное контактное уплотнение из акрилонитрил-бутадиеновой резины (NBR) из листовой стали на одной стороне подшипника. |
| 71914 CE/P4A | P4 = Точность размеров и вращения соответствуют классу точности 4 ISO. |
| 71914 CE/P4AL | P4 = Точность размеров и вращения соответствуют классу точности 4 ISO. |
| 71914 ACE/P4A | AC = Угол контакта 25 градусов. |
| 71914 ACD/P4A | ACD = Угол контакта 25 градусов. P4 = Точность конструкции P4, точность хода P4. |
| 71914 CB/P4AL | P4 = Точность размеров и вращения соответствуют классу точности 4 ISO. |
| S71914 CD/P4A | CD = 15 градусов угол контакта. P4 = Точность размеров и вращения соответствуют классу точности 4 ISO. |
| 71914 ACB/P4A | AC = Угол контакта 25 градусов. |
| 71914 CD/P4AL | CD = 15 градусов угол контакта. P4 = Точность размеров и вращения соответствуют классу точности 4 ISO. |
| S71914 CE/P4A | P4 = Точность размеров и вращения соответствуют классу точности 4 ISO. |
| S71914 CB/P4A | P4 = Точность размеров и вращения соответствуют классу точности 4 ISO. |
| 71914 CE/HCP4A | P4 = Точность размеров и вращения соответствуют классу точности 4 ISO. |
| 71914 ACB/P4AL | AC = Угол контакта 25 градусов. |
| ML71914HVUJ74S | J = Сепаратор стальной штампованный незакалённый. Сорт стали 7. |
| ML71914CVUJ74S | J = Сепаратор стальной штампованный незакалённый. Сорт стали 7. |
| 71914 ACE/P4AL | AC = Угол контакта 25 градусов. |
| 71914 CD/HCP4A | P4 = Точность размеров и вращения соответствуют классу точности 4 ISO. |
| 71914 CB/HCP4A | P4 = Точность размеров и вращения соответствуют классу точности 4 ISO. |
| S71914 ACE/P4A | AC = Угол контакта 25 градусов. |
| 71914 CD/P4AH1 | CD = 15 градусов угол контакта. P4 = Точность размеров и вращения соответствуют классу точности 4 ISO. |
| S71914 ACB/P4A | AC = Угол контакта 25 градусов. |
| S71914 ACD/P4A | ACD = Угол контакта 25 градусов. P4 = Точность конструкции P4, точность хода P4. |
| 71914 ACD/P4AL | ACD = Угол контакта 25 градусов. P4 = Точность конструкции P4, точность хода P4. |
| B71914-E-T-P4S | E = (AC-SKF) = 25 градусов угол контакта. T = (сегмент TB-Cage) = текстильная слоистая Фенольный смола, направленная по наружному кольцу. сепаратор подходит для длительной эксплуатации при температуре до 100 градусов C. P = Литой сепаратор из стеклонаполненного полиамида 6,6, центрируемый по телам качения. |
| B71914-C-T-P4S | T = Нейлоновая клетка, армированная стекловолокном (радиальные роликовые подшипники). P = Литой сепаратор из стеклонаполненного полиамида 6,6, центрируемый по телам качения. |
| 71914 CE/P4AH1 | P4 = Точность размеров и вращения соответствуют классу точности 4 ISO. |
| 71914 ACD/HCP4A | ACD = Угол контакта 25 градусов. |
| HS71914-E-T-P4S | Высокоскоростной шпиндельный подшипник. E = (AC-SKF) = 25 градусов угол контакта. T = (сегмент TB-Cage) = текстильная слоистая Фенольный смола, направленная по наружному кольцу. сепаратор подходит для длительной эксплуатации при температуре до 100 градусов C. P = Литой сепаратор из стеклонаполненного полиамида 6,6, центрируемый по телам качения. |
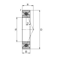
Габаритные размеры
Размеры и геометрические характеристики
Нагрузка и ресурс
Отклонение, точность вращения
Присоединительные размеры
Прочие характеристики
Подшипник однорядный шариковый радиальный 61914 2Z (INA, ZEN)
Подшипник однорядный шариковый радиальный 61914 2Z.C3 (INA)
Подшипник шариковый радиальный однорядный 1000914
Подшипник роликовый радиальный с короткими цилиндрическими роликами без бортов на наружном кольце 1002914
Подшипник роликовый радиальный с короткими цилиндрическими роликами без бортов на внутреннем кольце 1032914