Главная > Подшипники> Шариковые> Радиально-упорные>HC7022-E-T-P4S

HC7022-E-T-P4S — Подшипник шариковый однорядный радиально-упорный, импортное производство по ISO стандарту, размер 110x170x28 номер основного исполнения 7022.
Производитель: FAG.
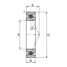
E = (AC-SKF) = 25 градусов угол контакта. T = (сегмент TB-Cage) = текстильная слоистая Фенольный смола, направленная по наружному кольцу. сепаратор подходит для длительной эксплуатации при температуре до 100 градусов C. P = Литой сепаратор из стеклонаполненного полиамида 6,6, центрируемый по телам качения.
Цена по запросу
Цена на подшипник зависит от:
| Обозначение | Модификация |
|---|---|
| 7022 | Основное конструктивное исполнение. |
| 7022 C | С = Необслуживаемые концы стержней, внутренняя резьба. |
| 7022 B | B = однокомпонентное ребристое внутреннее кольцо. |
| 7022DF | Комплект подшипников расположенных лицом к лицу, дуплексная Х-образная пара. |
| H7022C | С = Необслуживаемые концы стержней, внутренняя резьба. |
| HS7022 | |
| 7022DB | D = профиль наружного кольца, усовершенствованный, с увеличенной зоной несущей нагрузки и оптимизированными краевыми переходами. |
| 7022DT | T = Механически обработанный сепаратор из текстолита, центрируемый по телам качения. |
| 7022 A | A = внутренняя модификация конструкции. |
| 7022CDB | С = Необслуживаемые концы стержней, внутренняя резьба. |
| 7022CPA | С = Необслуживаемые концы стержней, внутренняя резьба. |
| 7022CDT | С = Необслуживаемые концы стержней, внутренняя резьба. |
| 7022BDBT | B = 40 градусов угол контакта. DB = два однорядных радиальных шарикоподшипника, однорядные радиально-упорные шарикоподшипники или однорядные конические роликовые подшипники, подходящие для монтажа в расположении друг за другом. |
| 7022 ADT | T = Механически обработанный сепаратор из текстолита, центрируемый по телам качения. |
| 7022 BDB | B = 40 градусов угол контакта. DB = два однорядных радиальных шарикоподшипника, однорядные радиально-упорные шарикоподшипники или однорядные конические роликовые подшипники, подходящие для монтажа в расположении друг за другом. |
| 7022 ADB | A = Модифицированная внутренняя конструкция. DB = два однорядных радиальных шарикоподшипника, однорядные радиально-упорные шарикоподшипники или однорядные конические роликовые подшипники, подходящие для монтажа в расположении друг к другу. |
| 7022 BDF | B = 40 градусов угол контакта. DF = Два однорядных радиальных шарикоподшипника, однорядных радиально-упорных шарикоподшипника или однорядных конических роликоподшипника, согласованные для монтажа по Х-образной схеме. |
| 7022 CDF | Комплект подшипников расположенных лицом к лицу, дуплексная Х-образная пара. |
| 7022 ADF | Комплект подшипников расположенных лицом к лицу, дуплексная Х-образная пара. |
| 7022UGP4 | P4 = Точность размеров и вращения соответствуют классу точности 4 ISO. |
| 7022 BDT | BD = Модифицированная внутренняя конструкция, угол контакта α = 30 градусов, без отверстия для заполнения. |
| 7022CTRSU | С = Необслуживаемые концы стержней, внутренняя резьба. |
| 7022 B-UD | D = профиль наружного кольца, усовершенствованный, с увеличенной зоной несущей нагрузки и оптимизированными краевыми переходами. |
| 7022 C-UX | С = Необслуживаемые концы стержней, внутренняя резьба. |
| 7022 A-UO | A = внутренняя модификация конструкции. |
| 7022 C-UD | С = Необслуживаемые концы стержней, внутренняя резьба. |
| 7022 A-UD | A = внутренняя модификация конструкции. |
| 7022 B-UX | X = Внешние размеры, соответствующие международным стандартам. |
| 7022 A-UX | A = внутренняя модификация конструкции. |
| 7022 C-UO | С = Необслуживаемые концы стержней, внутренняя резьба. |
| 7022 B-UO | B = однокомпонентное ребристое внутреннее кольцо. |
| 7022A5TRSU | Угол контакта 25 градусов. |
| 7022HVUJ74 | J = Сепаратор стальной штампованный незакалённый. Сорт стали 7. |
| 7022UDBTP4 | T = Нейлоновая клетка, армированная стекловолокном (радиальные роликовые подшипники). P = Литой сепаратор из стеклонаполненного полиамида 6,6, центрируемый по телам качения. |
| 7022CVUJ74 | J = Сепаратор стальной штампованный незакалённый. Сорт стали 7. |
| 7022 CTBP4 | ТВ = текстолитовый сепаратор, центрируемый по внутреннему кольцу. |
| 7022 ATBP4 | ТВ = текстолитовый сепаратор, центрируемый по внутреннему кольцу. |
| 7022 CE/P4A | P4 = Точность размеров и вращения соответствуют классу точности 4 ISO. |
| 7022 CD/P4A | CD = 15 градусов угол контакта. P4 = Точность размеров и вращения соответствуют классу точности 4 ISO. |
| 7022HVDUJ74 | DU = (RS1-SKF) = Уплотнительное контактное уплотнение из акрилонитрил-бутадиеновой резины (NBR) из листовой стали на одной стороне подшипника. |
| H7022AC/HQ1 | AC = Угол контакта 25 градусов. |
| 7022CVDUJ74 | DU = (RS1-SKF) = Уплотнительное контактное уплотнение из акрилонитрил-бутадиеновой резины (NBR) из листовой стали на одной стороне подшипника. |
| 7022CG/GNP4 | GN = нормальная предварительная нагрузка. P = Литой сепаратор из стеклонаполненного полиамида 6,6, центрируемый по телам качения. |
| 7022 CB/P4A | P4 = Точность размеров и вращения соответствуют классу точности 4 ISO. |
| S7022 CD/P4A | CD = 15 градусов угол контакта. P4 = Точность размеров и вращения соответствуют классу точности 4 ISO. |
| S7022 CB/P4A | P4 = Точность размеров и вращения соответствуют классу точности 4 ISO. |
| S7022 CE/P4A | P4 = Точность размеров и вращения соответствуют классу точности 4 ISO. |
| 7022 CD/P4AL | CD = 15 градусов угол контакта. P4 = Точность размеров и вращения соответствуют классу точности 4 ISO. |
| 7022 ACE/P4A | AC = Угол контакта 25 градусов. |
| 7022UCG/GNP4 | GN = нормальная предварительная нагрузка. P = Литой сепаратор из стеклонаполненного полиамида 6,6, центрируемый по телам качения. |
Габаритные размеры
Размеры и геометрические характеристики
Нагрузка и ресурс
Отклонение, точность вращения
Присоединительные размеры
Прочие характеристики
Однорядный цилиндрический роликовый подшипник NU1022 (CX, CYSD, ISB, ISO, KOYO)
Подшипник однорядный шариковый радиальный 6022 (CRAFT, CX, CYSD, FAG, ISB)
Подшипник шариковый радиальный однорядный 122
Подшипник однорядный шариковый радиальный 6022 DDU (FAG, NSK)
Подшипник шариковый радиальный однорядный 122 (6022)
Подшипник шариковый радиальный однорядный 122 А