Главная > Подшипники> Роликовые > Радиально-упорные>HC TR080702J/1D

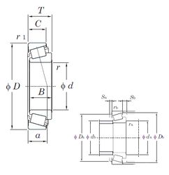
HC TR080702J/1D — Подшипник роликовый радиально-упорный, импортное производство по ISO стандарту, размер 38x72x18 номер основного исполнения .
Производитель: KOYO.
D = профиль наружного кольца, усовершенствованный, с увеличенной зоной несущей нагрузки и оптимизированными краевыми переходами.
Цена по запросу
Цена на подшипник зависит от:
Габаритные размеры
Размеры и геометрические характеристики
Защита
Конструкция и исполнение