Главная > Подшипники> Роликовые > Радиально-упорные>HC TR0607J-1LFT

HC TR0607J-1LFT — Однорядный конический роликовый подшипник, импортное производство по ISO стандарту, размер 30x72x24 номер основного исполнения .
Производитель: KOYO.
Механически обработанный сепаратор из стали или чугуна, центрируемый по телам качения.
Цена по запросу
Цена на подшипник зависит от:
Габаритные размеры
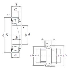
Размеры и геометрические характеристики
Защита
Конструкция и исполнение
Опорный ролик 305706 (NKE)
Опорный ролик 305806 (NKE)
Подшипник роликовый радиально-упорный конический однорядный 27706
Подшипник шариковый радиальный самоцентрирующийся 981806
Подшипник роликовый радиально-упорный конический однорядный 27706 К1
Подшипник роликовый радиально-упорный 27706 А (ГПЗ-15)