Главная > Подшипники> Роликовые > Радиально-упорные>HC STA5383LFT

HC STA5383LFT — Подшипник роликовый радиально-упорный, импортное производство по ISO стандарту, размер 53x83x24 номер основного исполнения .
Производитель: KOYO.
ТA = Сепаратор из фенольной смолы или полиамида направленный на наружное кольцо
Цена по запросу
Цена на подшипник зависит от:
Габаритные размеры
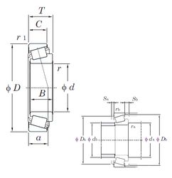
Размеры и геометрические характеристики
Защита
Конструкция и исполнение