Главная > Подшипники> Роликовые > Радиально-упорные>HC STA4785LFT

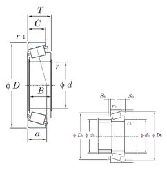
HC STA4785LFT — Подшипник роликовый радиально-упорный, импортное производство по ISO стандарту, размер 47x85x20 номер основного исполнения .
Производитель: KOYO.
ТA = Сепаратор из фенольной смолы или полиамида направленный на наружное кольцо
Цена по запросу
Цена на подшипник зависит от:
Габаритные размеры
Размеры и геометрические характеристики
Защита
Конструкция и исполнение