Главная > Подшипники> Роликовые > Радиально-упорные>HC STA3072-9LFT

HC STA3072-9LFT — Подшипник роликовый радиально-упорный, импортное производство по ISO стандарту, размер 30x72x24 номер основного исполнения .
Производитель: KOYO.
ТA = Сепаратор из фенольной смолы или полиамида направленный на наружное кольцо
Цена по запросу
Цена на подшипник зависит от:
Габаритные размеры
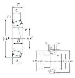
Размеры и геометрические характеристики
Защита
Конструкция и исполнение
Опорный ролик 305706 (NKE)
Опорный ролик 305806 (NKE)
Подшипник роликовый радиально-упорный конический однорядный 27706
Подшипник шариковый радиальный самоцентрирующийся 981806
Подшипник роликовый радиально-упорный конический однорядный 27706 К1
Подшипник роликовый радиально-упорный 27706 А (ГПЗ-15)