Главная > Подшипники> Роликовые > Радиально-упорные>HC ST4890

HC ST4890 — Однорядный конический роликовый подшипник, импортное производство по ISO стандарту, размер 48x90x23 номер основного исполнения .
Производитель: KOYO.
T = Механически обработанный сепаратор из текстолита, центрируемый по телам качения.
Цена по запросу
Цена на подшипник зависит от:
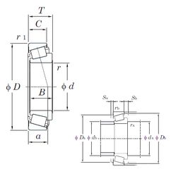
Габаритные размеры
Размеры и геометрические характеристики
Защита
Конструкция и исполнение