Главная > Подшипники> Роликовые > Радиально-упорные>HC ST4085LFT

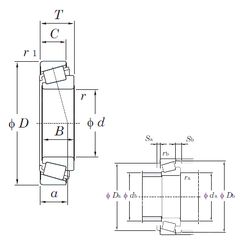
HC ST4085LFT — Подшипник роликовый радиально-упорный, импортное производство по ISO стандарту, размер 40x85x24 номер основного исполнения .
Производитель: KOYO.
Механически обработанный сепаратор из стали или чугуна, центрируемый по телам качения.
Цена по запросу
Цена на подшипник зависит от:
Габаритные размеры
Размеры и геометрические характеристики
Защита
Конструкция и исполнение