Главная > Подшипники> Роликовые > Радиально-упорные>HC ST3058-9LFT

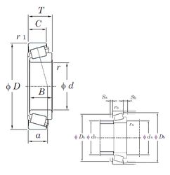
HC ST3058-9LFT — Подшипник роликовый радиально-упорный, импортное производство по ISO стандарту, размер 30x58x16 номер основного исполнения .
Производитель: KOYO.
Механически обработанный сепаратор из стали или чугуна, центрируемый по телам качения.
Цена по запросу
Цена на подшипник зависит от:
Габаритные размеры
Размеры и геометрические характеристики
Защита
Конструкция и исполнение
Радиальный шарикоподшипник 62/28/30C3 (SKF)
Подшипник шариковый однорядный радиально-упорный BB1M30-362525A (SKF)