Главная > Подшипники> Роликовые > Радиально-упорные>HC ST2749

HC ST2749 — Однорядный конический роликовый подшипник, импортное производство по ISO стандарту, размер 27x49x15 номер основного исполнения .
Производитель: KOYO.
T = Механически обработанный сепаратор из текстолита, центрируемый по телам качения.
Цена по запросу
Цена на подшипник зависит от:
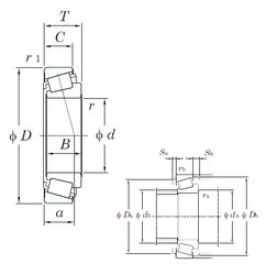
Габаритные размеры
Размеры и геометрические характеристики
Защита
Конструкция и исполнение