Главная > Подшипники> Роликовые > Радиально-упорные>HC ST2358

HC ST2358 — Подшипник роликовый радиально-упорный, импортное производство по ISO стандарту, размер 23x58x17 номер основного исполнения .
Производитель: KOYO.
T = Механически обработанный сепаратор из текстолита, центрируемый по телам качения.
Цена по запросу
Цена на подшипник зависит от:
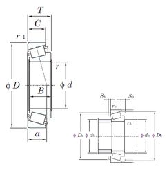
Габаритные размеры
Размеры и геометрические характеристики
Защита
Конструкция и исполнение