Главная > Подшипники> Шариковые> Радиально-упорные>HB90 /S 7CE1

HB90 /S 7CE1 — Радиально-упорный шарикоподшипник, импортное производство по ISO стандарту, размер 90x125x18 номер основного исполнения .
Производитель: SNFA.
С = фенольная смола. E = Расположение внешнего сепаратора. 1 = CD (SKF) = 15 градусов угол контакта.
Цена по запросу
Цена на подшипник зависит от:
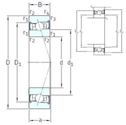
Габаритные размеры
Размеры и геометрические характеристики
Нагрузка и ресурс
Защита
Коэффициенты для расчета
Присоединительные размеры
Конструкция и исполнение
Другие размеры
Подшипник однорядный шариковый радиальный 61918 (CRAFT, CX, ISB, ISO, NKE)
Подшипник однорядный шариковый радиальный 61918 C3 (NKE)
Подшипник шариковый радиальный 1000918 Л (ГПЗ-4)
Подшипник шариковый радиальный однорядный 1000918 К (ГПЗ-4)
Подшипник шариковый радиальный однорядный 1000918