Главная > Подшипники> Шариковые> Радиально-упорные>HB75 /S 7CE3

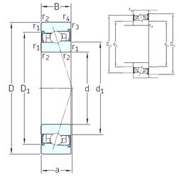
HB75 /S 7CE3 — Радиально-упорный шарикоподшипник, импортное производство по ISO стандарту, размер 75x105x16 номер основного исполнения .
Производитель: SNFA.
S = смазочный паз и три отверстия в наружном кольце подшипника.
Цена по запросу
Цена на подшипник зависит от:
Габаритные размеры
Размеры и геометрические характеристики
Нагрузка и ресурс
Защита
Присоединительные размеры
Конструкция и исполнение
Другие размеры
Подшипник однорядный шариковый радиальный 61915 (CRAFT, CX, FAG, ISB, ISO)
Подшипник шариковый радиально-упорный однорядный неразъемный со скосом на наружном кольце 1046915
Подшипник шариковый однорядный радиально-упорный B71915 C.T.P4S.UL (FAG)