Главная > Подшипники> Шариковые> Радиально-упорные>HB60 /S/NS 7CE3

HB60 /S/NS 7CE3 — Радиально-упорный шарикоподшипник, импортное производство по ISO стандарту, размер 60x85x13 номер основного исполнения .
Производитель: SNFA.
S = смазочный паз и три отверстия в наружном кольце подшипника.
Цена по запросу
Цена на подшипник зависит от:
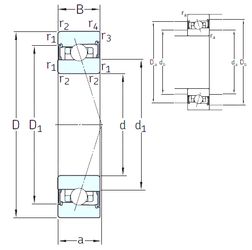
Габаритные размеры
Размеры и геометрические характеристики
Нагрузка и ресурс
Защита
Присоединительные размеры
Конструкция и исполнение
Другие размеры
Подшипник однорядный шариковый радиальный 61912 (CRAFT, CX, FAG, INA, ISB)
Подшипник шариковый однорядный радиально-упорный B71912 C.T.P4S.UL (FAG)
Подшипник шариковый однорядный радиально-упорный HS71912 C.T.P4S.UL (FAG)