Главная > Подшипники> Шариковые> Радиально-упорные>HB30 /S/NS 7CE1

HB30 /S/NS 7CE1 — Радиально-упорный шарикоподшипник, импортное производство по ISO стандарту, размер 30x47x9 номер основного исполнения .
Производитель: SNFA.
С = фенольная смола. E = Расположение внешнего сепаратора. 1 = CD (SKF) = 15 градусов угол контакта.
Цена по запросу
Цена на подшипник зависит от:
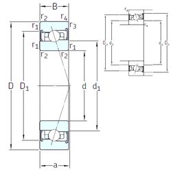
Габаритные размеры
Размеры и геометрические характеристики
Нагрузка и ресурс
Защита
Коэффициенты для расчета
Присоединительные размеры
Конструкция и исполнение
Подшипник роликовый радиально-упорный конический 7906 (CYSD, NTN)
Подшипник шариковый однорядный радиально-упорный B71906 C.T.P4S.UL (FAG)
Подшипник шариковый однорядный радиально-упорный B71906 E.T.P4S.UL (FAG)