Главная > Подшипники> Шариковые> Радиально-упорные>HAR915CA

HAR915CA — Радиально-упорный шарикоподшипник, импортное производство по ISO стандарту, размер 75x105x16 номер основного исполнения 915.
Производитель: KOYO.
CA = Цельный обработанный латунный сепаратор, двойной зуб, удерживающие фланцы на внутреннем кольце и направляющем кольце, центрированные на внутреннем кольце.
Цена по запросу
Цена на подшипник зависит от:
| Обозначение | Модификация |
|---|---|
| 915 | Основное конструктивное исполнение. |
| HAR915 | |
| HSB915C | С = Необслуживаемые концы стержней, внутренняя резьба. |
| HAR915C | С = Необслуживаемые концы стержней, внутренняя резьба. |
| 3NCHAR915 | A = Модифицированная внутренняя конструкция. R = Наружное кольцо с фланцем. |
| 3NCHAC915C | AC = Угол контакта 25 градусов. |
| 3NCHAR915C | A = Модифицированная внутренняя конструкция. R = Наружное кольцо с фланцем. |
| 5S-HSB915C | S (Сегментное уплотнение, код 2L) = кулачковый толкатель, Camrol, герметичная версия. B = шестигранное отверстие ,заменяет шлиц отвертки в конце фланца штока. |
| 3NCHAC915CA | CA = Цельный обработанный латунный сепаратор, двойной зуб, удерживающие фланцы на внутреннем кольце и направляющем кольце, центрированные на внутреннем кольце. |
| 3NCHAF915CA | CA = Цельный обработанный латунный сепаратор, двойной зуб, удерживающие фланцы на внутреннем кольце и направляющем кольце, центрированные на внутреннем кольце. |
| 3NCHAR915CA | CA = Цельный обработанный латунный сепаратор, двойной зуб, удерживающие фланцы на внутреннем кольце и направляющем кольце, центрированные на внутреннем кольце. |
| 3NC HAR915C FT | C = отклоняющаяся или измененная внутренняя конструкция с одинаковыми граничными размерами. F = Механически обработанный сепаратор из стали или чугуна, центрируемый по телам качения. |
| 5S-2LA-HSE915G/GNP42 | GN = нормальная предварительная нагрузка. P = Литой сепаратор из стеклонаполненного полиамида 6,6, центрируемый по телам качения. |
| 5S-2LA-HSE915CG/GNP42 | GN = нормальная предварительная нагрузка. P = Литой сепаратор из стеклонаполненного полиамида 6,6, центрируемый по телам качения. |
| 5S-2LA-HSE915ADG/GNP42 | GN = нормальная предварительная нагрузка. P = Литой сепаратор из стеклонаполненного полиамида 6,6, центрируемый по телам качения. |
| 5S-2LA-BNS915LLBG/GNP42 | LLB = Уплотнение из синтетического каучука бесконтактного типа. |
| 5S-2LA-BNS915CLLBG/GNP42 | LLB = Уплотнение из синтетического каучука бесконтактного типа. |
| 5S-2LA-BNS915ADLLBG/GNP42 | LLB = Уплотнение из синтетического каучука бесконтактного типа. |
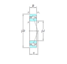
Габаритные размеры
Размеры и геометрические характеристики
Нагрузка и ресурс
Защита
Присоединительные размеры
Конструкция и исполнение
Подшипник однорядный шариковый радиальный 61915 (CRAFT, CX, FAG, ISB, ISO)
Подшипник шариковый радиально-упорный однорядный неразъемный со скосом на наружном кольце 1046915
Подшипник шариковый однорядный радиально-упорный B71915 C.T.P4S.UL (FAG)