Главная > Подшипники> Шариковые> Радиально-упорные>HAR908C

HAR908C — Радиально-упорный шарикоподшипник, импортное производство по ISO стандарту, размер 40x62x12 номер основного исполнения 908.
Производитель: KOYO.
С = Необслуживаемые концы стержней, внутренняя резьба.
Цена по запросу
Цена на подшипник зависит от:
| Обозначение | Модификация |
|---|---|
| 908 | Основное конструктивное исполнение. |
| HAR908 | |
| HAR908CA | CA = Цельный обработанный латунный сепаратор, двойной зуб, удерживающие фланцы на внутреннем кольце и направляющем кольце, центрированные на внутреннем кольце. |
| 3NCHAR908 | A = Модифицированная внутренняя конструкция. R = Наружное кольцо с фланцем. |
| 3NCHAC908C | AC = Угол контакта 25 градусов. |
| 3NCHAR908C | A = Модифицированная внутренняя конструкция. R = Наружное кольцо с фланцем. |
| 3NCHAC908CA | CA = Цельный обработанный латунный сепаратор, двойной зуб, удерживающие фланцы на внутреннем кольце и направляющем кольце, центрированные на внутреннем кольце. |
| 3NCHAF908CA | CA = Цельный обработанный латунный сепаратор, двойной зуб, удерживающие фланцы на внутреннем кольце и направляющем кольце, центрированные на внутреннем кольце. |
| 3NCHAR908CA | CA = Цельный обработанный латунный сепаратор, двойной зуб, удерживающие фланцы на внутреннем кольце и направляющем кольце, центрированные на внутреннем кольце. |
| 5S-HSB908GCS00P42 | P42 = Класс точности Р4 и радиальная очистка С2. |
| 5S-2LA-HSE908CG/GNP42 | GN = нормальная предварительная нагрузка. P = Литой сепаратор из стеклонаполненного полиамида 6,6, центрируемый по телам качения. |
| 5S-2LA-HSE908ADG/GNP42 | GN = нормальная предварительная нагрузка. P = Литой сепаратор из стеклонаполненного полиамида 6,6, центрируемый по телам качения. |
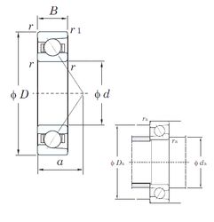
Габаритные размеры
Размеры и геометрические характеристики
Нагрузка и ресурс
Защита
Коэффициенты для расчета
Присоединительные размеры
Конструкция и исполнение
Подшипник однорядный шариковый радиальный 61908 (CRAFT, CX, FAG, IBC, ISB)
Подшипник шариковый радиальный однорядный 1000908
Подшипник шариковый однорядный радиально-упорный B71908 E.T.P4S.UL (FAG)
Подшипник шариковый однорядный радиально-упорный HS71908 C.T.P4S.UL (FAG)