Главная > Подшипники> Шариковые> Радиально-упорные>HAR026CA

HAR026CA — Радиально-упорный шарикоподшипник, импортное производство по ISO стандарту, размер 130x200x33 номер основного исполнения HAR026.
Производитель: KOYO.
CA = Цельный обработанный латунный сепаратор, двойной зуб, удерживающие фланцы на внутреннем кольце и направляющем кольце, центрированные на внутреннем кольце.
Цена по запросу
Цена на подшипник зависит от:
Габаритные размеры
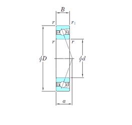
Размеры и геометрические характеристики
Нагрузка и ресурс
Защита
Присоединительные размеры
Конструкция и исполнение
Однорядный цилиндрический роликовый подшипник NU1026 (CX, CYSD, ISB, ISO, KOYO)
Подшипник шариковый однорядный радиально-упорный 7026 (CYSD, KOYO, NACHI, NTN, SKF)
Подшипник шариковый радиальный однорядный 126
Подшипник шариковый однорядный радиально-упорный HS7026 C.T.P4S.UL (FAG)
Подшипник шариковый однорядный радиально-упорный HS7026 E.T.P4S.UL (FAG)