Главная > Подшипники> Шариковые> Радиально-упорные>HAR021C

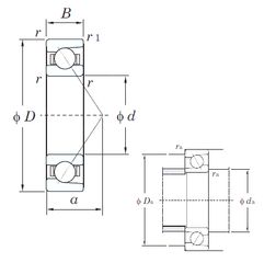
HAR021C — Радиально-упорный шарикоподшипник, импортное производство по ISO стандарту, размер 105x160x26 номер основного исполнения HAR021.
Производитель: KOYO.
С = Необслуживаемые концы стержней, внутренняя резьба.
Цена по запросу
Цена на подшипник зависит от:
Габаритные размеры
Размеры и геометрические характеристики
Нагрузка и ресурс
Защита
Коэффициенты для расчета
Присоединительные размеры
Конструкция и исполнение
Однорядный цилиндрический роликовый подшипник NU1021 (CX, CYSD, ISB, ISO, KOYO)
Подшипник шариковый радиально-упорный 7021 (CYSD, KOYO, NACHI, NSK, NTN)
Подшипник шариковый однорядный радиально-упорный HS7021 C.T.P4S.UL (FAG)
Подшипник шариковый однорядный радиально-упорный HS7021 E.T.P4S.UL (FAG)