Главная > Подшипники> Шариковые> Радиально-упорные>HAR015C

HAR015C — Радиально-упорный шарикоподшипник, импортное производство по ISO стандарту, размер 75x115x20 номер основного исполнения HAR015.
Производитель: KOYO.
С = Необслуживаемые концы стержней, внутренняя резьба.
Цена по запросу
Цена на подшипник зависит от:
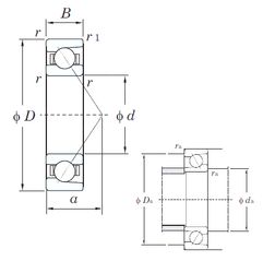
Габаритные размеры
Размеры и геометрические характеристики
Нагрузка и ресурс
Защита
Коэффициенты для расчета
Присоединительные размеры
Конструкция и исполнение
Однорядный цилиндрический роликовый подшипник NU1015 (CX, CYSD, FBJ, ISB, ISO)
Подшипник шариковый радиально-упорный 7015 (CYSD, KOYO, NACHI, NTN, SKF)
Подшипник роликовый радиально-упорный конический однорядный 2007115
Подшипник шариковый радиальный 8115 (ГПЗ-4)